Nosotros nos especializamos en el diseño de intercambiadores de calor y simulación de procesos (Aspen HYSYS & EDR) para garantizar un rendimiento térmico óptimo y confiabilidad a largo plazo.
Petróleo y Gas · Procesos Químicos · Generación de Energía · Alimentos y Bebidas · Farmacéutica · Refrigeración y HVAC
Un intercambiador de calor que no está a la altura no es solo un equipo defectuoso; es un riesgo constante. Genera ciclos de mantenimiento no planificados, productos fuera de especificación y un consumo energético que erosiona sus márgenes de ganancia día tras día. Cada hora de inactividad es una pérdida irrecuperable. Transforme su proceso térmico en un activo de producción confiable.
Diseñamos equipos robustos que operan de forma fiable bajo las condiciones reales de su planta.
La optimización térmica precisa se traduce directamente en un menor gasto energético.
Una ingeniería precisa desde el inicio evita rediseños y retrasos costosos.
Nuestros diseños garantizan una vida útil prolongada y un rendimiento sostenido.
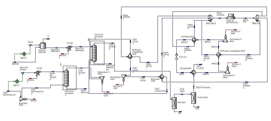
Creamos un «gemelo digital» de su proceso para modelar las condiciones de operación de forma estática o dinámica. Con esto, obtenemos los valores más críticos a los que estará sometido el proceso, diseñamos el equipo y luego validamos su comportamiento bajo cargas parciales para garantizar un funcionamiento impecable en cualquier escenario.
Utilizamos Aspen EDR para el diseño y rating detallado. Esto nos permite optimizar el costo total de propiedad (CAPEX y OPEX) y mitigar riesgos críticos como la vibración inducida por flujo, una causa común de fallos mecánicos.
Este enfoque detallado es fundamental para un exitoso diseño de intercambiador de calor.
Si planea reutilizar un intercambiador de calor para un nuevo proceso, es crucial garantizar su viabilidad. Con el modo «Simulation» de Aspen EDR, ingresamos los parámetros de su equipo actual y simulamos cómo se comportará bajo las nuevas condiciones de trabajo y con los nuevos fluidos.

La solución robusta y versátil para altas presiones y temperaturas en procesos químicos, petróleo y gas.

Diseñados para una vaporización estable y eficiente, ideales para columnas de destilación y procesos de refinación.

La opción compacta y de alta eficiencia para fluidos limpios y diferenciales de temperatura ajustados, como en HVAC y alimentos.
Recopilamos los datos de su proceso y sus objetivos.
Elaboramos un documento formal con los parámetros clave para su aprobación.
Realizamos la ingeniería y generamos la hoja TEMA para su validación.
Con la hoja TEMA aprobada, generamos los planos GA y el paquete final.
Nuestro trabajo se centra en transformar sus requerimientos de proceso en un diseño de ingeniería de intercambiadores de calor completo y optimizado. Basándonos en la información que nos proporciona, procedemos a dimensionar el intercambiador de calor más adecuado para su aplicación. Este servicio integral incluye la determinación de parámetros críticos como:
El resultado final de nuestro servicio es un paquete de ingeniería robusto que incluye los planos de disposición general del equipo. Esta documentación técnica sirve como la base que una empresa de fabricación utilizará para desarrollar los planos de fabricación detallados, garantizando que el equipo final cumpla e incluso supere las demandas de su proceso.
Para iniciar, lo ideal es conocer los fluidos involucrados, sus flujos, temperaturas de entrada/salida deseadas y presiones de operación. Si no tiene todos los datos, no se preocupe, podemos ayudarle a definirlos en la consulta inicial.
Un diseño térmico y mecánico estándar, desde la aprobación de las bases de diseño hasta la entrega de la hoja TEMA, suele tomar entre 5 y 10 días hábiles, dependiendo de la complejidad del proyecto.
Absolutamente. Nuestros entregables se basan en estándares universales como TEMA y ASME. Esto garantiza que cualquier fabricante cualificado en el mundo pueda interpretar los planos y construir el equipo con precisión.
Trabajamos con un sistema de pagos por hitos claro y transparente. Para su total tranquilidad, ofrecemos gestionar el proyecto a través de un servicio de depósito de garantía (escrow) de confianza, que protege su inversión hasta que usted apruebe cada entregable.
El primer paso hacia una solución térmica fiable y rentable es una simple conversación. Su consulta inicial es gratuita y sin compromiso.